zapsána v OR u KS v Ostravě oddíl C vložka 24207
IČ: 258 785 06
DIČ: CZ 258 785 06
IČ: 258 785 06
DIČ: CZ 258 785 06
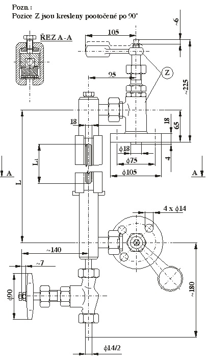
Slouží jako přímý ukazatel stavu hladiny v různých nádobách, zásobnících, kotlích, především pro tekutiny, které nejsou agresivní na mosaz. Tento stavoznak je dimenzován pro pracovní tlaky do PN 16 a teploty do 200°C. Nesmí se používat pro látky jedovaté, agresivní a krystalizující.
Stavoznak se skládá z horní a dolní hlavice, skleněné stavoznakové trubice s vnějším průměrem 20 mm. Hlavice jsou opatřeny ventilovými uzávěry, dolní hlavice vypouštěcí zátkou. Dodávají se pro max. středovou vzdálenost H= 1500 mm.
Stavební délky a připojovací rozměry jsou uvedeny v tabulce.
Stavoznak se montuje do polohy kolmé s vypouštěcí zátkou v dolní poloze.

